شركة تشانغشو هيرون للاستيراد والتصدير المحدودة
شركة تشانغشو هيرون للاستيراد والتصدير المحدودة
منتجات
مقياس ضغط أنبوب بوردون مع جهات اتصال التبديل
  • مقياس ضغط أنبوب بوردون مع جهات اتصال التبديلمقياس ضغط أنبوب بوردون مع جهات اتصال التبديل

مقياس ضغط أنبوب بوردون مع جهات اتصال التبديل

Model:EC02.010 (bottom connection)
EC02.030 (bottom with case filling)
EC02.050 (back connection)
EC02.070 (back with case filling)
ينتمي مقياس ضغط أنبوب بوردون مع جهات اتصال التبديل الذي تنتجه CSHERUN في الصين إلى منتجات سلسلة أجهزة قياس ضغط أنبوب بوردون، مع مادة غلاف من الفولاذ المقاوم للصدأ ومواصفاتين NS 100 و160. مقياس ضغط أنبوب بوردون مع جهات اتصال التبديل، بحد أقصى 4 جهات اتصال تبديل لكل أداة، وأدوات ذات جهات اتصال حثية للمناطق الخطرة وأدوات ذات جهات اتصال لتطبيقات PLC.

يمكنك أن تطمئن إلى شراء مقياس ضغط أنبوب بوردون المخصص مع جهات اتصال التبديل منا. نحن نتطلع إلى التعاون معك، إذا كنت تريد معرفة المزيد، يمكنك استشارة لنا الآن، وسوف نقوم بالرد عليك في الوقت المناسب! يتم استخدام مقياس ضغط أنبوب بوردون المتطور المزود بمفاتيح تبديل، والذي تم تصنيعه في الصين، في المقام الأول لقياس ضغط الغاز ويوفر إمكانات لقياس الضغط الجزئي والحماية من الضغط الزائد إلى حد محدد. يضمن هذا المقياس المصنوع من غلاف متين من الفولاذ المقاوم للصدأ المتانة وطول العمر.


يتميز مقياس ضغط أنبوب بوردون الخاص بنا مع جهات اتصال التبديل بما يصل إلى 4 جهات اتصال للمفاتيح لكل جهاز، مما يجعله متعدد الاستخدامات لمختلف التطبيقات. بالإضافة إلى ذلك، فهو متوفر بعلبة تعبئة لتحمل أحمال الضغط الديناميكي العالي أو الاهتزازات. تشتمل الإصدارات الخاصة على أدوات مزودة بملامسات حثية مناسبة للمناطق الخطرة، وملامسات مصممة خصيصًا لتطبيقات PLC، ومتوفرة اختياريًا في إصدار الأمان S3 وفقًا لمعايير EN 837.


التطبيقات


● مراقبة وتنظيم العمليات الصناعية

● مراقبة المحطات وتبديل الدوائر

● بالنسبة للوسائط العدوانية الغازية والسائلة التي ليست شديدة اللزوجة أو المتبلورة، وكذلك في البيئات العدوانية

● الصناعة الكيميائية، وصناعة البتروكيماويات، ومحطات الطاقة، والتعدين، والتكنولوجيا البيئية، وبناء الآلات، وبناء المصانع العامة


ميزات خاصة


● ما يصل إلى 4 تبديل جهات الاتصال لكل جهاز

● متوفر أيضًا مع تعبئة العلبة لأحمال الضغط الديناميكي العالي أو الاهتزازات، مع أدوات اتصال حثية للاستخدام في المناطق الخطرة

● الأجهزة المزودة بجهات اتصال لتطبيقات PLC

● الأدوات متاحة اختياريًا في إصدار الأمان S3 وفقًا للمعيار EN 837


وصف 


تصميم

من 16085

الحجم الاسمي بالملليمتر

100، 160

دقة

1.0

نطاقات النطاق 


0…0.6MPa إلى 0…160MPa

تتوفر وحدات أخرى (مثل رطل لكل بوصة مربعة، كيلو باسكال).

أو جميع نطاقات الفراغ المكافئة الأخرى أو الضغط المشترك ونطاقات الفراغ

الحد من الضغط

ثابت: قيمة النطاق الكامل

المتقلبة: 0.9 × القيمة الكاملة

وقت قصير: 1.3 × القيمة الكاملة 

درجة الحرارة المسموح بها

البيئة المحيطة: -20...+60 درجة مئوية


واسطة:

+200 درجة مئوية [+392 درجة فهرنهايت] كحد أقصى. مع الأدوات غير المملوءة

+100 درجة مئوية [+212 درجة فهرنهايت] كحد أقصى. مع الأدوات المملوءة

تأثير درجة الحرارة 

عندما تنحرف درجة حرارة نظام القياس عن درجة الحرارة المرجعية (+20 درجة مئوية): الحد الأقصى. ±0.4%/10 K من القيمة الكاملة

حماية الدخول وفقًا للمعيار IEC/EN 60529

IP65

اتصال العملية  

SS316L

■ ز ½ ب

■ ½ معاهدة حظر الانتشار النووي

■ M20 × 1.5

أخرى عند الطلب

موقع الاتصال

■ التركيب السفلي (شعاعي)

■ جبل أسفل الظهر

قضية 

الفولاذ المقاوم للصدأ

عنصر الضغط 

الفولاذ المقاوم للصدأ 316L من النوع C أو النوع الحلزوني 

حركة 

الفولاذ المقاوم للصدأ

اطلب

الألومنيوم 

ضبط المؤشر 

الألومنيوم، الأحمر

نافذة 

زجاج الأمان الرقائقي 

توصيل كهربائي

مقبس كابل PA 6، أسود

وفقًا لمجموعة العزل VDE 0110 C/250 V

غدة الكابل M20 × 1.5

تخفيف الضغط

6 أطراف لولبية + PE للمقطع العرضي للموصل 2.5 مم²

أخرى حسب الطلب 

تبديل جهات الاتصال

نموذج الاتصال المفاجئ المغناطيسي EC02

■ لا توجد حاجة لوحدة تحكم ولا مصدر طاقة

■ تحويل مباشر حتى 250 فولت، 1 أمبير

■ ما يصل إلى 4 جهات اتصال تبديل لكل جهاز قياس

مواصفات الأجهزة ذات الاتصال المغناطيسي المفاجئ موديل EC02


نطاق الإعداد الموصى به لجهات الاتصال هو 25...75% من المقياس (0...100% عند الطلب). مادة الاتصال (قياسية): نيكل فضي، مطلي بالذهب


ضبط جهات الاتصال 

الحد الأدنى الموصى به للخلوص بين جهتي اتصال هو 20% من مدى القياس. تباطؤ المفتاح هو 2...5% (نموذجي)


أوصى تحميل الاتصال مع الأحمال المقاومة والاستقرائية

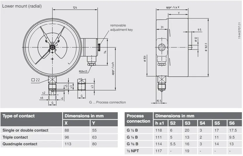
الأبعاد بالملم

مقبس الكابل


الأبعاد بالملم

الموديلات EC02.010.100، EC02.050.100

الموديلات EC02.010.160، EC010.050.160





الكلمات الساخنة: مقياس ضغط أنبوب بوردون مع اتصالات التبديل، حسب الطلب، الجودة
إرسال استفسار
معلومات الاتصال
  • عنوان

    112 طريق هيتاي، قرية هيتاي، مدينة شينزهوانغ، مدينة تشانغشو، مقاطعة جيانغسو، الصين

  • بريد إلكتروني

    sales@csherun.com

إذا كان لديك أي استفسار حول عرض الأسعار أو التعاون، فلا تتردد في إرسال بريد إلكتروني أو استخدام نموذج الاستفسار التالي. سيتصل بك مندوب المبيعات لدينا خلال 24 ساعة.
X
نحن نستخدم ملفات تعريف الارتباط لنقدم لك تجربة تصفح أفضل، وتحليل حركة مرور الموقع، وتخصيص المحتوى. باستخدام هذا الموقع، فإنك توافق على استخدامنا لملفات تعريف الارتباط. سياسة الخصوصية
يرفض يقبل